Характеристики:
| Производитель: | KJW – KJ Works (Тайвань) |
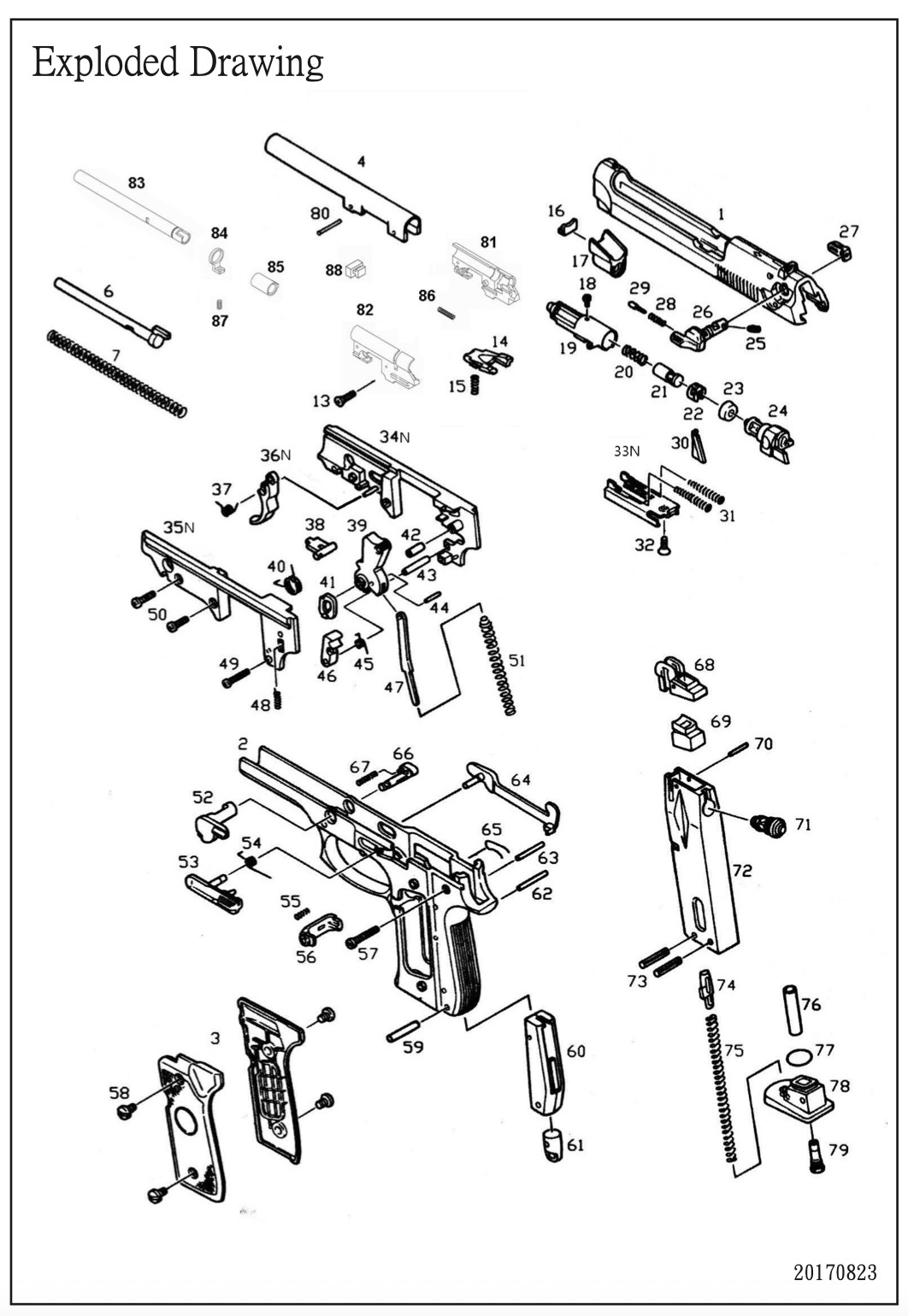
| Тип: | ЗИП |
| Назначение: | KJW M9, IA, VE |
| Материал: | металл |
| Инструкция: | ![]() |
KJW M9/M9A1 #71 EXHAUST VALVE
Информация о характеристиках, комплектации, внешнем виде и цвете товара носит ознакомительный характер; они могут быть изменены производителем без уведомления.

1) Наличными (наложенным платежом):
2) Онлайн оплата
3) Расчетный счет
Москва и Подмосковье
Санкт-Петербург и область
Другие регионы России:
ДНР, ЛНР (новые регионы):
Беларусь:
Почему мы?
